DC split core current transducer

Jiangyin Spark DC split-core current transmitter converts AC current signals into standard DC signals, and transmits them in either constant voltage or constant current mode, like 4-20mA dc , 0-5V dc output .It features high accuracy, compact size, low power consumption, and strong anti-interference capability. It is especially suitable for intelligent monitoring systems of load currents in applications such as motors, smart low-voltage distribution cabinets, and PLC automation.
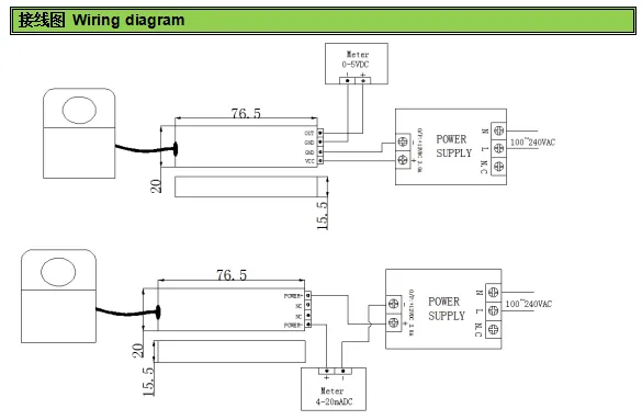
Split core DC current sensor 4-20mA dc / 0-5V dc secondary
Specifications : Input current: 50-600A ac Output Signal: 4-20mA dc , 0-5V dc Measurement Accuracy: +/- 2% Linearity: +/- 2% Temperature drift: <5% Auxiliary power supply: 15-24V dc Maximum Output Signal: 4-20mA Operating Temperature: -30° C to +65° C Storage Temperature: -40° C to +85° C Operating Humidity: 10 to 95 %RH non-condensing Storage Humidity: 10 to 95 %RH non-condensing

| Item | DC-T10 | DC-T16 | DC-T24 | DC-T36 | DC-T50 | Unit |
|---|---|---|---|---|---|---|
| Current range (AC) | 5-80 | 10-120 | 10-300 | 10-500 | 10-1000 | A |
| Measure range | 1% - 100% | 1% - 100% | 1% - 100% | 1% - 100% | 1% - 100% | % |
| Power frequency | 45-65 Hz | 45-65 Hz | 45-65 Hz | 45-65 Hz | 45-65 Hz | Hz |
| Output | 0-5V dc | 0-10V dc | 0-10V dc | 4-20mA dc | 4-20mA dc | |
| Load | ā„100K | ā„100K | ā„100K | ā¤500 | ā¤500 | Ī© |
| Supply voltage | 12/24V | 12/24V | 12/24V | 12/24V | 12/24V | V |
| Power Consumption | <40 mA | <40 mA | <40 mA | <40 mA | <40 mA | mA |
| Offset drift | @ -25~+70ā ā¤Ā±1 | @ -25~+70ā ā¤Ā±1 | @ -25~+70ā ā¤Ā±1 | @ -25~+70ā ā¤Ā±1 | @ -25~+70ā ā¤Ā±1 | mV/ā |
| Accuracy | ā¤1 | ā¤1 | ā¤1 | ā¤1 | ā¤1 | % |
| Linearity | ā¤1 | ā¤1 | ā¤1 | ā¤1 | ā¤1 | %FS |
| Response time | ā¤20 | ā¤20 | ā¤20 | ā¤20 | ā¤20 | ms |
| Galvanic isolation | AC,1min 10 | AC,1min 10 | AC,1min 10 | AC,1min 10 | AC,1min 10 | KV |
| Isolation resistance | @ DC 500V 1000 | @ DC 500V 1000 | @ DC 500V 1000 | @ DC 500V 1000 | @ DC 500V 1000 | MĪ© |

| Part number | L (mm) | W (mm) | H (mm) | O (mm) |
|---|---|---|---|---|
| XH-SCT-DC-T10 | 26 | 23 | 40 | 10 |
| XH-SCT-DC-T16 | 31 | 32 | 46 | 16 |
| XH-SCT-DC-T24 | 35 | 46 | 65.4 | 24 |
| XH-SCT-DC-T36 | 41.4 | 57.5 | 85.2 | 36 |